¡¡¡¡
YDW Series low noise,
external-rotor and three-phase induction
motors are of sqirual cage, totally enclosed and
fan cooled type. It obtains the quality of low
noise, low vibration and turning smoothly. Owing
to its soft characteristic, the stepless speed
variety of the motor is available to adapt to
the requirements of system load changes by
voltage modulations. Featuring fixed shaft and
external rotor, the frame of motor can be
connected to impellers directly. It is the most
ideal power source for horizontal double
inhaling centrifugal ventilators of fans, and
vertical roof centrifugal ventilators or fans
alike, and is widely used for various
ventilating devices.
¡¡
Type Illustration
¡¡Environmental
situation:
A: altitude must be below 1000m.
B: Environmental temperature changes with season
alternating, but it should not beyond 40¡æ.
C: relative humidity should not be over 90%(25¡æ)
¡¡rated parameter
¡¡ |
Rated
Voltage: 380V Rated
Power:50Hz Working
style£º(S1) Insulated
Level£ºB¡¢F
Safety£ºIP44¡¢IP545 |
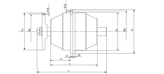
¡¡Mounting
dimensions & Overall dimensions
|
Type
|
Mounting dimensions
|
Overall dimensions
|
|
M
|
N
|
n-S
|
D
|
E
|
G
|
P
|
L
|
L1
|
L2
|
h1
|
h2
|
|
YDW0.12-6
|
¦µ166
¡¡
|
¡¡
|
¡¡
6-M6
¡¡
¡¡
¡¡
¡¡
¡¡
¡¡
|
¡¡
|
¡¡
28
¡¡
¡¡
|
¡¡
¡¡
¡¡
¡¡
|
¡¡
¦µ180
|
192
|
134
|
67
|
¡¡
12
|
¡¡
¡¡
¡¡
¡¡
¡¡
¡¡
¡¡
10
|
|
YDW0.18-6
|
192
|
134
|
67
|
|
YDW0.18-6A
|
¡¡
¦µ146
|
|
¦µ162
|
202
|
140
|
70
|
20
|
|
YDW0.25-6
|
¦µ166
¡¡
¡¡
¡¡
¡¡
|
¡¡
|
¡¡
¡¡
¡¡
¡¡
¦µ180
|
202
|
144
|
72
|
¡¡
12
¡¡
¡¡
¡¡
|
|
YDW0.32-6
|
¡¡
¡¡
¡¡
45
|
258
|
154
|
77
|
|
YDW0.37-6
|
258
|
154
|
77
|
|
YDW0.45-6
|
258
|
167
|
82
|
|
YDW0.55-6
|
278
|
174
|
87
|
|
YDW0.18-6
|
¦µ165
|
|
¡¡
¡¡
¡¡
¡¡
¡¡
¡¡
¡¡
¡¡
¡¡
6-M6
|
¡¡
|
¡¡
28
¡¡
¡¡
¡¡
¡¡
|
¡¡
¡¡
¡¡
¡¡
¡¡
¡¡
¡¡
¡¡
¡¡
|
|
192
|
134
|
67
|
12
|
¡¡
¡¡
¡¡
¡¡
¡¡
¡¡
¡¡
¡¡
¡¡
10
|
|
YDW0.18-4A
|
¦µ146
|
|
|
202
|
140
|
70
|
20
|
|
YDW0.25-4A
|
¦µ146
|
|
|
202
|
140
|
70
|
20
|
|
YDW0.25-4
|
¡¡
¡¡
¡¡
¡¡
¡¡
¡¡
¦µ166
|
¡¡
|
¡¡
¡¡
¡¡
¡¡
¡¡
¡¡
|
192
|
134
|
67
|
¡¡
12
¡¡
¡¡
¡¡
¡¡
¡¡
|
|
YDW0.32-4
|
202
|
144
|
72
|
|
YDW0.37-4
|
202
|
144
|
72
|
|
YDW0.45-4
|
¡¡
45
|
258
|
154
|
77
|
|
YDW0.55-4
|
258
|
164
|
82
|
|
YDW0.8-4A
|
¡¡
40
|
278
|
184
|
92
|
|
YDW1.1-4A
|
300
|
213
|
107
|
¡¡Mounting
dimensions & Overall dimensions
|
Type
|
Mounting dimensions
|
Overall dimensions
|
|
M
|
N
|
n-S
|
D
|
E
|
F
|
G
|
P
|
L
|
L1
|
L2
|
h1
|
h2
|
|
YDW0.8-6
|
¦µ230
¡¡
|
¡¡
|
¡¡
6-¦µ12
¡¡
¡¡
¡¡
¡¡
¡¡
¡¡
|
¡¡
¡¡
¡¡
¡¡
¡¡
¡¡
¡¡
|
¡¡
60
|
|
¡¡
¡¡
¡¡
¡¡
¡¡
¡¡
¡¡
|
¡¡
¦µ250
|
380
|
203
|
106
|
12
|
10
|
|
YDW1.1-6
|
390
|
213
|
¡¡
111
|
|
YDW1.5-6A
|
¡¡
¦µ250
¡¡
¡¡
¡¡
¡¡
|
¡¡
¡¡
¡¡
¡¡
¡¡
|
¦µ275
¡¡
¡¡
¡¡
|
390
|
225
|
118
|
¡¡
15
¡¡
¡¡
¡¡
|
|
YDW1.8-6
|
400
|
235
|
123
|
|
YDW2.2-6
|
420
|
255
|
133
|
|
YDW3.0-6
|
¦µ275
|
|
¡¡
6-¦µ14
|
|
¡¡
80
¡¡
¡¡
¡¡
¡¡
|
|
|
¦µ300
|
460
|
263
|
136
|
|
YDW4.0-6
|
530
|
303
|
156
|
|
YDW5.5-6
|
¦µ310
¡¡
|
¡¡
|
|
¡¡
|
¡¡
¡¡
¡¡
¡¡
¡¡
¡¡
12
|
0 |
| -0.043 |
|
¡¡
|
|
570
|
345
|
177
|
¡¡
17
|
|
YDW7.5-6
|
570
|
355
|
182
|
|
YDW9.0-6
|
100
|
630
|
385
|
197
|
|
YDW11-6
|
630
|
405
|
207
|
|
YDW11-6A
|
¡¡
¡¡
¡¡
¡¡
¡¡
¡¡
¦µ390
|
¡¡
|
8-¦µ14
|
|
100
|
|
|
¡¡
¡¡
¡¡
¡¡
¡¡
¡¡
|
670
|
370
|
190
|
20
|
|
YDW15-6
|
710
|
410
|
210
|
|
YDW18.5-6
|
780
|
445
|
228
|
|
YDW22-6
|
820
|
485
|
248
|
|
YDW0.8-4
|
¡¡
¡¡
¦µ216
|
¡¡
|
6-MB
|
¡¡
|
¡¡
50
¡¡
¡¡
¡¡
|
|
¡¡
¡¡
|
¦µ232
|
340
|
193
|
102
|
¡¡
12
¡¡
|
¡¡
¡¡
10
|
|
YDW1.1-4
|
360
|
193
|
102
|
|
YDW1.5-4
|
380
|
228
|
119
|
|
YDW1.8-4
|
¡¡
¡¡
|
¡¡
6-¦µ12
¡¡
|
¡¡
¦µ250
¡¡
|
390
|
243
|
127
|
|
YDW2.2-4
|
400
|
263
|
137
|
|
YDW3.0-4
|
450
|
305
|
157
|
|
YDW4.0-4
|
450
|
335
|
172
|
|
YDW0.55-8
|
¡¡
|
¡¡
|
¡¡
6-¦µ12
¡¡
¡¡
¡¡
|
¡¡
|
¡¡
60
¡¡
¡¡
¡¡
|
|
¡¡
¡¡
¡¡
¡¡
|
¡¡
¦µ250
¡¡
¡¡
¡¡
|
380
|
203
|
106
|
¡¡
12
|
¡¡
10
¡¡
¡¡
¡¡
¡¡
¡¡
¡¡
¡¡
|
|
YDW0.75-8
|
390
|
213
|
111
|
|
YDW1.1-8
|
¡¡
¡¡
|
¡¡
|
¦µ275
|
390
|
225
|
118
|
¡¡
15
¡¡
¡¡
¡¡
|
|
YDW1.5-8
|
400
|
235
|
123
|
|
YDW1.8-8
|
420
|
255
|
133
|
|
YDW2.2-8
|
¡¡
|
¡¡
|
¡¡
6-¦µ14
¡¡
¡¡
|
¡¡
|
¡¡
¡¡
¡¡
80
|
|
¡¡
|
¡¡
¦µ300
|
460
|
263
|
136
|
|
YDW3.0-8
|
530
|
303
|
156
|
|
YDW4.0-8
|
¡¡
|
¡¡
|
¡¡
|
|
¡¡
|
¡¡
¦µ340
|
570
|
345
|
177
|
¡¡
17
|
|
YDW5.5-8
|
570
|
355
|
182
|
¡¡(V3)Mounting
dimensions & Overall dimensions
|
Type
|
Mounting dimensions
|
Overall dimensions
|
|
N
|
M1
|
M2
|
S
|
P1
|
P2
|
L
|
L1
|
L2
|
h1
|
h2
|
|
YDW0.8-6V3
|
¡¡
|
¡¡
¦µ180
|
¡¡
¦µ230
|
¡¡
¦µ12
¡¡
¡¡
¡¡
|
¦µ210
¡¡
|
¡¡
¦µ250
|
309
|
203
|
85
|
¡¡
12
|
¡¡
10
|
|
YDW1.1-6V3
|
319
|
213
|
90
|
|
YDW1.5-6V3
|
¡¡
¡¡
|
¡¡
¦µ200
¡¡
|
¡¡
¡¡
¦µ250
|
¡¡
¦µ230
¡¡
|
¡¡
¦µ275
¡¡
|
343
|
225
|
97
|
15
¡¡
¡¡
|
10
¡¡
¡¡
|
|
YDW1.8-6V3
|
353
|
235
|
102
|
|
YDW2.2-6V3
|
373
|
255
|
112
|
|
Type
|
Output
(kW)
|
Speed
(r/min)
|
Current
(A)
|
Efficiency
(%)
|
Power factor
(cos¦µ)
|
Torque
Tm/TN
|
Torque
Ts/TN
|
Noise Lp
dB(A)
|
|
YDW0.12-6
|
0.12
|
920
|
0.54
|
60
|
0.56
|
2.0
|
1.8
|
47
|
|
YDW0.18-6A
|
0.18
|
920
|
0.78
|
60
|
0.58
|
2.0
|
1.8
|
47
|
|
YDW0.18-6
|
0.18
|
920
|
0.81
|
60
|
0.56
|
2.0
|
1.8
|
47
|
|
YDW0.25-6
|
0.25
|
920
|
1.04
|
63
|
0.56
|
2.0
|
1.8
|
47
|
|
YDW0.32-6
|
0.32
|
920
|
1.29
|
63
|
0.60
|
2.0
|
1.8
|
47
|
|
YDW0.37-6
|
0.37
|
920
|
1.33
|
64
|
0.66
|
2.0
|
1.8
|
47
|
|
YDW0.45-6
|
0.45
|
920
|
1.48
|
68
|
0.68
|
2.0
|
1.8
|
47
|
|
YDW0.55-6
|
0.55
|
900
|
1.78
|
69
|
0.68
|
2.0
|
1.8
|
47
|
|
YDW0.8-6
|
0.8
|
920
|
2.55
|
70
|
0.68
|
2.0
|
1.8
|
47
|
|
YDW1.1-6
|
1.1
|
920
|
3.3
|
72
|
0.70
|
2.0
|
1.8
|
47
|
|
YDW1.5-6
|
1.5
|
920
|
4.2
|
75
|
0.73
|
2.0
|
1.8
|
50
|
|
YDW1.8-6
|
1.8
|
920
|
4.8
|
77
|
0.74
|
2.0
|
1.8
|
50
|
|
YDW2.2-6
|
2.2
|
920
|
5.6
|
79
|
0.75
|
2.0
|
1.8
|
50
|
|
YDW3.0-6
|
3.0
|
920
|
7.6
|
80
|
0.75
|
2.0
|
2.0
|
54
|
|
YDW4.0-6
|
4.0
|
920
|
9.9
|
82
|
0.75
|
2.0
|
2.0
|
54
|
|
YDW5.5-6
|
5.5
|
950
|
13.3
|
84
|
0.75
|
2.0
|
2.0
|
54
|
|
YDW7.5-6
|
7.5
|
950
|
17.7
|
86
|
0.75
|
2.0
|
2.0
|
54
|
|
YDW9.0-6
|
9.0
|
950
|
21.2
|
86
|
0.75
|
2.0
|
2.0
|
57
|
|
YDW11-6
|
11
|
950
|
25.2
|
86
|
0.77
|
2.0
|
2.0
|
57
|
|
YDW11-6A
|
11
|
950
|
24
|
87
|
0.80
|
2.0
|
2.0
|
62
|
|
YDW15-6
|
15
|
950
|
32
|
88
|
0.81
|
2.0
|
2.0
|
65
|
|
YDW18.5-6
|
18.5
|
950
|
39.4
|
88
|
0.81
|
2.0
|
2.0
|
65
|
|
YDW22-6
|
22
|
950
|
45.8
|
89
|
0.82
|
2.0
|
2.0
|
68
|
|
YDW0.18-4A
|
0.18
|
1320
|
0.56
|
65
|
0.75
|
2.0
|
1.8
|
50
|
|
YDW0.18-4
|
0.18
|
1350
|
0.61
|
66
|
0.68
|
2.0
|
1.8
|
50
|
|
YDW0.25-4A
|
0.25
|
1320
|
0.73
|
68
|
0.77
|
2.0
|
1.8
|
50
|
|
YDW0.25-4
|
0.25
|
1350
|
0.82
|
68
|
0.68
|
2.0
|
1.8
|
50
|
|
YDW0.32-4
|
0.32
|
1350
|
1.05
|
68
|
0.68
|
2.0
|
1.8
|
50
|
|
YDW0.37-4
|
0.37
|
1350
|
1.18
|
68
|
0.70
|
2.0
|
1.8
|
50
|
|
YDW0.45-4
|
0.45
|
1350
|
1.36
|
70
|
0.72
|
2.0
|
1.8
|
50
|
|
YDW0.55-4
|
0.55
|
1350
|
1.57
|
72
|
0.74
|
2.0
|
1.8
|
50
|
|
YDW0.8-4A
|
0.8
|
1350
|
2.22
|
70
|
0.78
|
2.0
|
1.8
|
50
|
|
YDW0.8-4
|
0.8
|
1350
|
2.08
|
75
|
0.78
|
2.0
|
1.8
|
50
|
|
YDW1.1-4A
|
1.1
|
1350
|
2.86
|
75
|
0.78
|
2.0
|
1.8
|
50
|
|
YDW1.1-4
|
1.1
|
1370
|
2.86
|
75
|
0.78
|
2.0
|
2.0
|
50
|
|
YDW1.5-4
|
1.5
|
1400
|
3.79
|
77
|
0.78
|
2.0
|
2.0
|
54
|
|
YDW1.8-4
|
1.8
|
1400
|
4.55
|
77
|
0.78
|
2.0
|
2.0
|
54
|
|
YDW2.2-4
|
2.2
|
1400
|
5.42
|
78
|
0.79
|
2.0
|
2.0
|
54
|
|
YDW3.0-4
|
3.0
|
1420
|
7.04
|
82
|
0.79
|
2.0
|
2.0
|
57
|
|
YDW4.0-4
|
4.0
|
1420
|
9.27
|
83
|
0.79
|
2.0
|
2.0
|
57
|
|
YDW0.55-8
|
0.55
|
690
|
2.04
|
63
|
0.65
|
2.0
|
1.8
|
47
|
|
YDW0.75-8
|
0.75
|
690
|
2.69
|
65
|
0.65
|
2.0
|
1.8
|
47
|
|
YDW1.1-8
|
1.1
|
690
|
3.67
|
69
|
0.66
|
2.0
|
1.8
|
47
|
|
YDW1.5-8
|
1.5
|
690
|
4.79
|
72
|
0.66
|
2.0
|
1.8
|
50
|
|
YDW1.8-8
|
1.8
|
690
|
5.50
|
73
|
0.67
|
2.0
|
1.8
|
50
|
|
YDW2.2-8
|
2.2
|
690
|
6.12
|
78
|
0.70
|
2.0
|
1.8
|
50
|
|
YDW3.0-8
|
3.0
|
690
|
8.36
|
79
|
0.70
|
2.0
|
2.0
|
54
|
|
YDW4.0-8
|
4.0
|
700
|
10.85
|
80
|
0.70
|
2.0
|
2.0
|
54
|
|
YDW5.5-8
|
5.5
|
700
|
14.35
|
82
|
0.71
|
2.0
|
2.0
|
54
|
|
|
|
¡¡
|