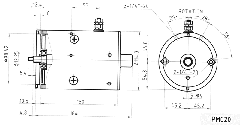
pmc20
 
12VDC 1200W 4.5N.m 2700RPM CW 
 
back3.gif (16042 bytes)