ZJTEX ELECTRIC MOTOR
YS(D)K for ducted direct drive fan coil units

 
 
I. Description
    These motors are designed for ducted direct drive fan coil units and primary air handlers. They are low noise, low vibration sigle phase capacitor run asynchronous motor with three speed levels and output power from 100w to 1100w. Both 4 pole and 6 pole motor are available. They can match F180, F229, F250 fan blades.The FCU's flows are 1000-8000m3/h,static pressure range 50Pa-187Pa.


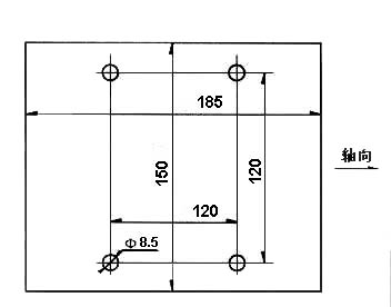
               II. Dimension, mounting size
 
06.jpg (15313 bytes)
07.jpg (13360 bytes)
 



 
 
YDK -180-4J

D=126 or 156

 
YDK-250-4J

 

YSK-370-6J
Single shaft
Double shaft

III. Specificantions
 
Model Nominal power (w) Speed with full load (r/min)  Noise [dB(A)]
YDK-100-6J
100
940/820/700
<=49
YDK-120-6J 120 930/850/700 <=49
YDK-180-4J
180
1100/950/80
<=54
YDK-250-4J 250 1250/1150/1050 <=58
YDK-320-4J 320 1300/1230/1150 <=58
YSK-200-6J
200
940/820/700
<=49
YSK-250-6J
250
930/820/700
<=49
YSK-320-6J
320
930/850/700
<=49
YSK-320-4J
320
1100/950/800
<=58
YSK-370-6J
370
930/820/700
<=51
YSK370-4J
370
1100/950/800
<=54
YSK-400-4J
400
1150/1050/950
<=58
YSK-550-4J
550
1250/1150/1050
<=58
YSK-750-4J
750
1300/1230/1150
<=58
YSK-1100-4J
1100
1410/1350/1300
<=58

back3.gif (16042 bytes)